



半岛网站web版登录入口是淮海经济区生产高炉冶金设备的专业厂家,技术力量雄厚、生产工艺先进、加工设备齐全、制造经验丰富、检测设备完善、产品供货及时、售后服务周到。公司主要产品有料车卷扬机、料车、探尺、高炉阀门、自清式水过滤器及其他非标冶金机械设备。公司坚持以市场为导向,以创新为动力,以质量求生存,以发展求壮大。
产品展示 PRODUCTS
—————————
遮断阀
过滤器
调压阀组
绳轮
燃烧器
消音器
无配重炉顶放散阀
料车卷扬机
料车
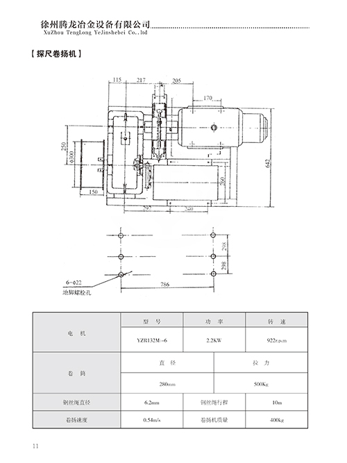
探尺卷扬机
双轴粉尘加湿机
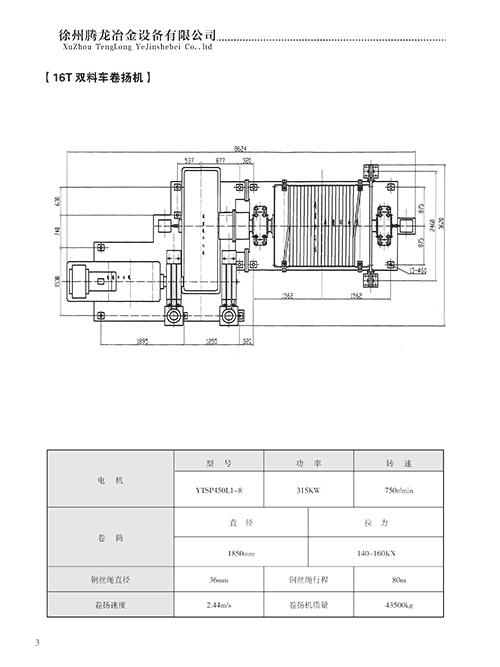
16T-料车卷扬机
料车
双槽绳轮
32T双料车卷扬机
25T双料车卷扬机
20T双料车卷扬机
16T双料车卷扬机
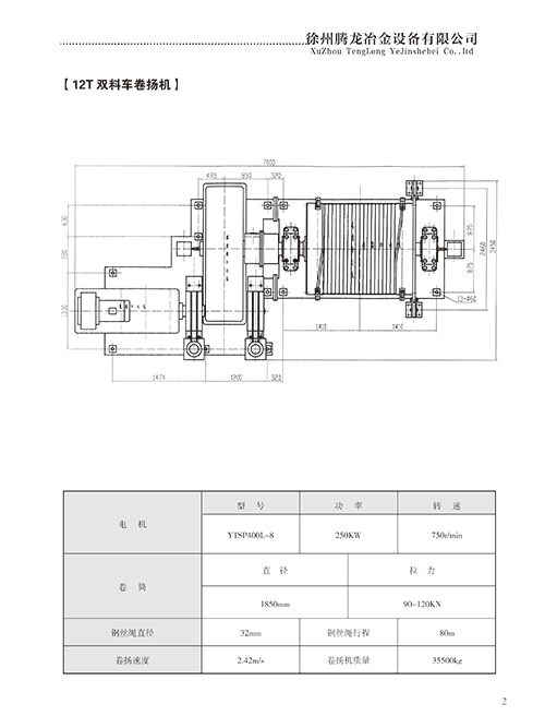
12T双料车卷扬机
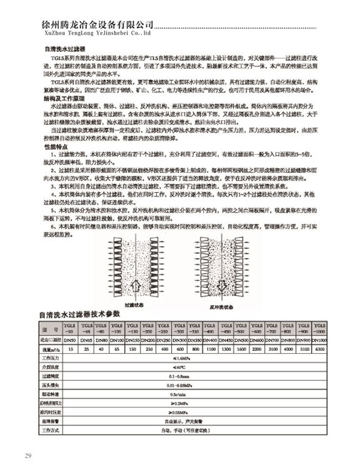
自清洗水过滤器TGLS外
自清洗水过滤器TGLS外
自清洗水过滤器
燃烧器
消音器
刚性叶轮给料机-GLJW
SJ型双轴粉尘加湿搅拌机
DSZ型单轴粉尘加湿搅拌
DN2460遮断阀卷扬机
DN2460遮断阀卷扬机
DN1400遮断阀卷扬机
300KG卷扬机
遮断阀-TP44W-TP
煤气放散阀-TS744Y
煤气放散阀-TS744Y
煤气放散阀-TS43Y-
均压阀-TP745X
均压放散阀-TS745X
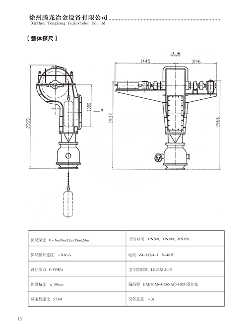
整体探尺
探尺卷扬机
探尺卷扬机
左右链式探尺
左右链式探尺

半岛网站web版登录入口
邮编:221100
电话:13952186796 刁经理
传真:0516-87908616
邮箱:13952186796@126.com
网站:http://www.designbtf.com
地址:江苏省徐州经济技术开发区
公司坚持以市场为导向,以创新为动力,以质量求生存,以发展求壮大。公司正以优质的产品、优惠的价格、优良的服务,欢迎您的光临,期待您的合作。
半岛网站web版登录入口
Copyright © 2016-2050,www.designbtf.com, All rights reserved 苏ICP备16060561号-1
电话:13952186796 刁经理 传真:0516-87908616 地址:江苏省徐州经济技术开发区